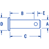
Ronstan Clevis Pin 4.7mm x 12.7mm RF260
Ronstan Clevis Pin 4.7mm x 12.7mm RF260 is backordered and will ship as soon as it is back in stock.
Couldn't load pickup availability
Description
Description
| A | 4.8 mm |
|---|---|
| B | 12.7 mm |
| C | 16.0 mm |
| D | 6.4 mm |
| E | 2.2 mm |
| Weight | 3 g |
Delivery and Shipping
Delivery and Shipping
Most orders will be shipped same day if placed prior to 11am our time.
We offer a flat rate standard shipping of $15 on smaller items this covers the labor charge to pack and send your item along with consumables such as packaging, tape etc.
for orders under $200 express post will be $18.50
For orders over $200 we offer Free standard shipping This Excludes Paints, heavy items and bulky items
For express post on order over $200 will be an additional $4
Please note we do not ship some items such as paints, flares, heavy items like chain and anchors.
Some bulky and heavy items will have a freight surcharge added in you cart prior to check out.


